

Heat Pump & Air Conditioning
Wolfspeed silicon carbide meets efficiency standards while enabling smaller, lighter, more efficient heat pumps & air conditioners.
Silicon carbide enables more efficient heat pumps and air conditioners with minimal redesign
Today heating and cooling systems consume more than 50% of all energy produced globally. Increasingly stringent energy efficiency standards including the American SEER ratings; ESEER and SOP levels in Europe, the middle east and Africa; and China’s GB21455 standards are all targeting reducing the impact heating and cooling has on our power grid and the warming planet.
Wolfspeed’s comprehensive portfolio of 650 V, NEW 750 V and 1200 V MOSFETS enable greater flexibility when designing with silicon carbide in heat pump and air conditioner systems and help engineers tailor designs to their unique needs.
Choose from a variety of package types to build a custom solution that can improve overall system efficiency 2.6% or more and meet strict efficiency standards. When compared to high-speed, soft-switched IGBTs, Wolfspeed's MOSFETs offer lower conduction losses and drastically reduced switching losses, coupled with an optimized overall system, thereby significantly improving the performance of heat pumps and air conditioners, while reducing audible noise at the same time.
Learn more about how Wolfspeed silicon carbide devices significantly improve these systems by exploring our featured content below.
Featured Content


Simulate Designing Industrial Motor Drives with SiC using SpeedFit™ Design Simulator
Industry-leading design support tools specifically for heat pumps and air conditioners
Wolfspeed offers industry-leading design support including SpeedFit™ Design Simulator, reference designs for industrial motor drive applications, and the newly released SpeedVal™ Kit 3-Phase Modular Evaluation Platform that enables rapid testing of SiC devices at real operating conditions across a range of 2-30 kV industrial motor drive, heat pump, and air conditioning applications. Browse our featured design resources or explore all design support tools.
Featured Design Support for Industrial Heat Pumps and Air Conditioners
Wolfspeed Silicon Carbide Components for Heat Pumps and Air Conditioning
Wolfspeed’s products represent the culmination of years of experience and expertise, where quality meets innovation to help bring your design forward.
Single-Phase Motor Drive System
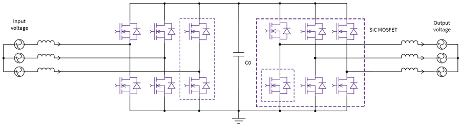
Three-Phase Motor Drive System
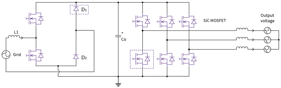
Three-Phase Motor Drive in Unidirectional System
Reference Designs
Filter By
Product SKU | Name | Buy Online | Type | Topology | Power | Discrete/Module | Package | Device SKU(s) | Designed By | View Product |
|---|---|---|---|---|---|---|---|---|---|---|
AC to DC | Totem-Pole PFC | 3.6kW | Discrete | TOLL, TO-247-3 | Wolfspeed | |||||
AC to DC, DC to AC | Passive Rectifier and Three-Phase, Three-Phase 2-Level | 7.5kW | Module | FM | Wolfspeed | |||||
DC to AC | Three-Phase 2-Level | 11kW | Discrete | TO-247-4, TO-263-7 | Wolfspeed | |||||
AC to DC | Three-Phase 2-Level | 22kW | Discrete | TO-247-4 | Wolfspeed | |||||
DC to AC | Three-Phase 2-Level | 25kW | Module | FM | Wolfspeed | |||||
DC to AC | Three-Phase 2-Level | 200kW | Module | XM | Wolfspeed | |||||
DC to AC | Three-Phase 2-Level | 250kW | Module | XM | Wolfspeed | |||||
DC to AC | Three-Phase 2-Level | 300kW | Module | XM | Wolfspeed | |||||
DC to AC | Dual Three-Phase, Three-Phase 2-Level | 600kW | Module | XM | Wolfspeed |








