住宅和商用空调及热泵通过采用碳化硅器件,从容应对盛夏炎热
Article
简介
碳化硅可在极其严苛的环境中提供前所未有的高效率、更高耐用性和卓越性能,从而彻底变革热泵和空调行业。随着全球气温不断升高,人们需要制定更严格的能效规范。使用碳化硅解决方案,可只需对现有设计进行最小限度的改造,或者也可进行全新的系统设计,即可满足这些规范的要求。本文将介绍碳化硅分立解决方案和功率模块在住宅和商用热泵及空调设计中的技术考虑因素和实际应用。
不断提高的效率标准推动系统持续演进
在美国,根据一项称为“季节能效比 (SEER)” 的国家标准来衡量加热和冷却系统的效率。从 2023 年开始,在美国销售的所有新住宅中央空调和空气源热泵系统的 SEER(季节能效比)等级在北部各州不得低于 14,在南部各州不得低于 15(因为在南部各州,冷却系统所消耗的能源在家庭能源使用量中所占的比例较高)。
欧洲的类似标准为 ESEER(欧洲能效比),其要求新设计的系统的能效比达到 B 级或以上,才能在注重节能的市场上保持竞争力。中国的 GB21455 能效标准要求新设计的产品具有较高能效等级,不得低于 5 级。

图 1 展示了美国、欧洲和中国所采用的日益严格的标准。传统功率半导体器件很难满足这些要求。碳化硅提供了一种可满足这些标准的简单且经济高效的方法,可使整个加热和冷却系统体积更小、功率密度更高、噪音更低。

利用简单的即插即用式碳化硅器件提高效率
碳化硅分立器件便于集成到现有热泵和空调设计中,从而充分提高效率,以满足 SEER、ESEER 和 GB21455 标准。图 2 展示了热泵和空调的各个子系统,包括功率转换 (PFC) 和逆变器,它们协同工作为压缩机赋能,并提供所需的空气温度。

图 3 显示了有源升压配置中的典型硅基 PFC,以及如何在不重新设计系统的情况下,通过将硅二极管更换为 650 V 或 1200 V(具体取决于直流母线电压)碳化硅肖特基二极管来轻松改进 PFC。这是一种非常流行的升级方法,可将效率提高约 0.5% 甚至更多。
与硅二极管相比,Wolfspeed 的 650 V 和 1200 V 肖特基二极管可提供零反向恢复电荷 (Qrr)。Wolfspeed 的 C4D 1200 V 和 C3D 650 V 碳化硅二极管系列具有卓越反向恢复性能,这与市场上的任何硅二极管形成了鲜明对比(图 4)。

使用碳化硅进行重新设计可进一步提高效率
通过将 PFC 重新设计为半无桥或无桥图腾柱配置(图 5),可以进一步充分发挥碳化硅的性能优势。

通过在快速开关支脚上使用两个碳化硅 650/750 V MOSFET、在慢速开关支脚上使用两个碳化硅 650/1200 V 二极管(具体取决于直流链路电压)实现半无桥 PFC 拓扑,可将系统效率提高 1.5%(与硅基升压 PFC 相比)。
同样,通过在快速和慢速开关支脚上全部使用碳化硅 MOSFET 实现全无桥 PFC 拓扑,可将系统效率提高 1.9%(与硅基升压 PFC 相比)。例如,通过在开关频率为 16 kHz 的 11 kW 压缩机系统中使用碳化硅(图 6),可将系统总损耗降低 50% 以上(与硅基解决方案相比)。


硅 MOSFET 由于反向恢复大而不太适合无桥 PFC 拓扑(图 7),而硅 IGBT 的开关损耗高,因此需要更低开关频率和更大磁性元件,从而导致解决方案成本更高。
根据 IEC60034-14 标准,这种重新设计方法可提高开关性能和热性能,降低可闻噪音,并能够轻松将新工业电机装置从(国际效率)IE3 过渡到 IE4 和 IE5 规范要求(图 8)。

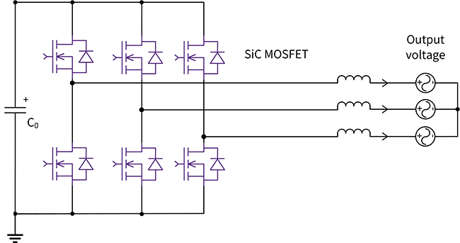
逆变器级重新设计所带来的额外提升
通过更换现有的全部 IGBT 开关,可将由 6 个开关组成的逆变器级轻松升级为全碳化硅解决方案(图 9)。
与典型的 IGBT 解决方案相比,Wolfspeed 的碳化硅 MOSFET 具有最低的导通损耗。下图显示了 1200 V Wolfspeed 碳化硅 MOSFET 与传统 IGBT 的导通损耗。在低负载情况下,碳化硅 MOSFET 在 30% 负载时可将导通损耗降低 50%,在 50% 负载时可将导通损耗降低 30%(图 10)。

与典型的 IGBT 解决方案相比,Wolfspeed 的碳化硅 MOSFET 具有最低的导通损耗。下图显示了 1200 V Wolfspeed 碳化硅 MOSFET 与传统 IGBT 的导通损耗。在低负载情况下,碳化硅 MOSFET 在 30% 负载时可将导通损耗降 低 50%,在 50% 负载时可将导通损耗降低 30%(图 10)。

1200 V 碳化硅 MOSFET 的开关与典型 1200 V IGBT 相比,由于在关断过程中没有尾电流,因此其超低开关损耗的优势显而易见。碳化硅 MOSFET 的这一特性可将关断开关损耗降低多达 95%,或将总开关损耗降低 85%(图 11)。

减小散热器以实现更多节省
除了功耗更低之外,碳化硅还能改善热性能,使热泵和空调的冷却设计更小、成本更低。对于工作频率为 8 kHz 的 25 kW 逆变器,通过使用 Wolfspeed 的 6 开关 WolfPACKTM 模块,可将散热器的整体尺寸缩小 77%(图 13),并将效率提高 1.1%(与类似 IGBT 模块相比)。这还仅仅是在逆变器一方实现的,当与采用碳化硅的图腾柱 PFC 相结合时,综合效率可达到 2.6%(图 12)。


图 12:Wolfspeed WolfPACK™ 模块与 IGBT 解决方案在效率和热学方面的比较

基于碳化硅的逆变器可显著减少系统产生的热量,从而使设计人员能够使用更小型的散热器,并设计出适用于空调和热泵系统且整体更小型、更轻量的压缩机。
设计支持工具降低开始使用碳化硅的门槛
Wolfspeed 提供专为热泵和空调量身定制的一套设计支持工具,有助于降低开始使用碳化硅进行设计的门槛,并加快整个系统优化过程。
Wolfspeed 最近发布的 11kW 高效逆变器参考设计 (CRD-11DA12N-K)(图 14)采用 Wolfspeed 75 mΩ 1200 V MOSFET,提供了一个理想的平台,用于测试碳化硅在热泵和空调压缩机逆变器中的优势。该设计具有热学、电感和电路工作特性,采用简单的 2 级三相拓扑结构,并具有可定制的固件。

与 IGBT 解决方案相比,即使是在较低的 dv/dt 值下运行(以保护电机)时,碳化硅解决方案也能够在 16 kHZ 和 32 kHz 条件下分别将效率提升多达 1.5% 和 3.0%,优于 IGBT 解决方案(图 15)。通过使用 Wolfspeed 40mΩ C3M0040120K,可轻松将该逆变器设计升级至 20 kW (CRD-20DA12N-K)。

最新发布的三相主板基于 Wolfspeed SpeedVal™ 套件模块化评估平台打造而成,通过一套灵活的构建模块,进一步加快从硅到碳化硅的转型,从而对系统性能进行电路内评估。SpeedVal 套件为工业电机驱动、热泵和空调系统而设计,使设计人员能够快速评估和优化与业界领先合作伙伴提供的栅极驱动器配合使用的碳化硅 MOSFET。通过灵活的控制选项,该三相主板还支持精确控制和固件开发,以测试简单静态负载或高级电机控制功能。
实现节能并改善环境影响
仅仅是通过在 PFC 和逆变器中使用碳化硅来升级加热和空调系统而改善的环境影响就已经非常显著。以三相 11 kW 系统为例,消费者每年预计可节省至少 453 千瓦时能源,约合 168 欧元,这足以抵消系统成本的增加。如果考虑到设备的整个使用期限,这些节能效果尤为显著。假设系统使用 15 年,消费者将节省 6,800 千瓦时能源,总计约 2,520 欧元。这也意味着将释放到大气中的 CO2 减少 4.8 公吨*。因此,碳化硅是用于设计下一代热泵和空调且更具可持续性的理想之选。
关于更清洁布局的通用设计建议
- 建议设计人员注意避免栅极驱动器电路与 MOSFET 漏极之间的重叠(图 16a)。这有助于降低栅极驱动电源回路中产生外部 Cgd 的风险。优点包括:
- 降低开关损耗
- 降低栅极振荡风险
- 降低电磁干扰
- 使敏感信号远离高 dv/dt 迹线。通过减小开关节点迹线的尺寸,可将直流母线的寄生电容降至最低,从而减少开关损耗和电磁干扰问题。(图 16b)
- 尽可能减小栅极驱动器电路的栅极回路,并将外部 Cgs 电容置于尽可能靠近 MOSFET 的位置。

*(www.epa.gov)
总结
随着全球气温的升高,人们越来越需要使用更环保的解决方案来应对气候变化。正如我们所展示的,在设计住宅、工业和商业应用场景中的下一代热泵和空调时,碳化硅是更具可持续性的理想选择。
Wolfspeed 11 kW 高效逆变器参考设计 (CRD-11DA12N-K 和 CRD-20DA12N-K) 功率高达 11 kW和 20 kW,可用作展现碳化硅强大功能的指导工具,助您轻松超越新的能效标准;通过这一参考设计,可轻松进行碳化硅设计,享受前所未有的便捷。您甚至可以使用我们的在线 SpeedFit™ 设计仿真工具进行各种设计挑战仿真、利用 SpeedVal 评估平台快速制作原型并进行测试,或者在我们的功率应用在线讨论平台上直接联系我们的碳化硅专家。