SpeedVal™ Kit Modular Evaluation Platform Three-Phase Motherboard
MOD-MB-3P-0900V-40A-N
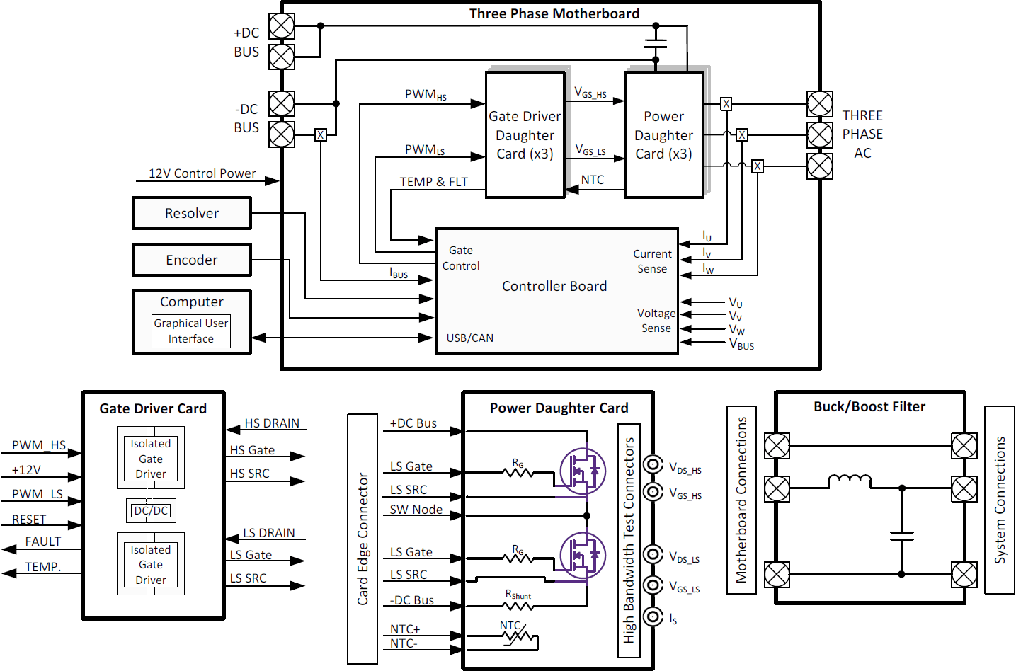
Wolfspeed's MOD-MB-3P-0900V-40A-N is a motherboard that operates up to 900 V and 40 A(RMS) and supports 3-Phase motors. The SpeedVal Kit 3-Phase motherboard contains the power connections, DC bus, and interface for the daughter cards. This motherboard replicates the same testing support as MOD-MB-HB-0900V-40A, and supports active-front-end AC/DC converters and multiphase buck or boost testing. The PWM signals for the Silicon Carbide MOSFETs can be supplied externally from a function generator, or by using one of the optional control cards that plugs into the motherboard. The control cards have pre-tested firmware and a computer-based graphical user interface (GUI) that allow the controller to run a double pulse test, run a 3-phase motor, or operate the board as a buck or boost converter in both synchronous and asynchronous configurations. The control card and GUI also provide system-level feedback of the input and output voltage and current readings.

SpeedVal™ Kit Modular Evaluation Platform Three-Phase Motherboard
