
Industrial & Commercial Solar Systems
Enable increased reliability and lower total system cost, all while meeting emerging efficiency standards.
Silicon Carbide enables smaller, more efficient large-scale solar
Industrial and commercial facilities often have expansive, flat roof space – an ideal location for installing large-scale solar systems to generate clean, inexpensive solar power. These systems benefit from Wolfspeed Silicon Carbide in the solar inverters to create systems that are 50% more power dense, feature simpler circuit topologies to reduce component count and increase reliability, and lower total system cost, all while meeting emerging efficiency standards.
Wolfspeed SiC devices reduce system size, weight, and cost

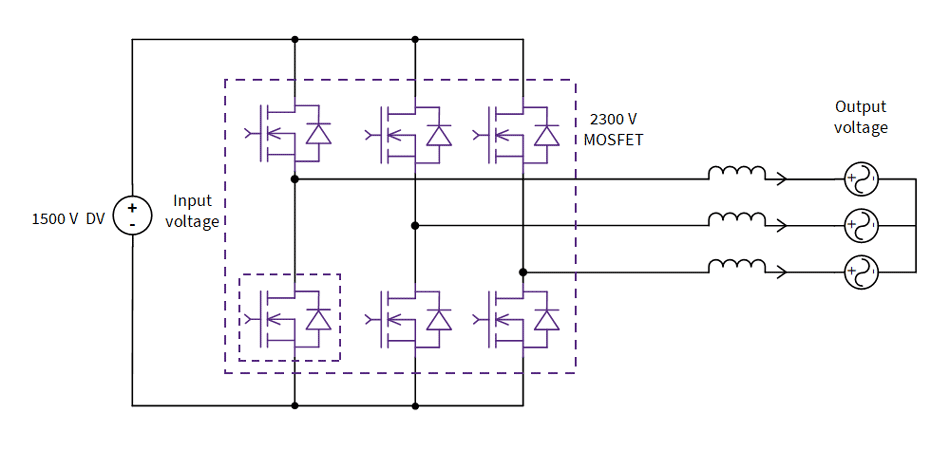
Three-Phase Solar Inverters
Powerful 15 kW to >200 kW three-phase solar inverters are required in large-scale commercial and industrial solar systems to convert the DC current generated by a photovoltaic panel to grid-ready AC. Most three-phase string inverters use discrete power semiconductors architected for scalability and flexibility that can deliver 408 V three-phase AC outputs and 500-1100 V internal bus voltages. WolfPACK™ modules that bridge the space between discretes and power modules can also be used to deliver high ampacity with minimal stray inductance.
Using Wolfspeed Silicon Carbide in place of traditional silicon in three-phase inverters can improve power density by 50%, create simpler circuit topologies by reducing component count and assembly cost, and reduce overall inverter size and total system costs. A significant reduction in overall inverter size and weight is realized when Wolfspeed Silicon Carbide technology is utilized. A silicon 50 kW inverter weighs in at an average of 380lbs, whereas a 60 kW inverter powered by Wolfspeed Silicon Carbide MOSFETs and diodes can weigh as little as 72lbs and is small enough that one person can easily move it to the installation site.

Creating a complete silicon carbide solution using Wolfspeeds 1200 V MOSFETs with 1200 V Schottky diodes in 3-phase inverters can reduce total costs by up to 30% and significantly improve switching frequency, efficiency and power density than in IGBT+SiC hybrid solutions.

MPPT Boost Circuits for Industrial & Commercial Solar Systems
Commercial and industrial solar systems also utilize power optimizers in the form of an MPPT boost converter to smooth the variable voltages produced between panels and generate a higher voltage to the internal bus. For example, using Wolfspeed Silicon Carbide MOSFETs and diodes in the MPPT boost of a 60 kW system can increase overall efficiency by 1.8%, increase power density and lower overall system cost.
Full SiC solutions with 1200 V Wolfspeed MOSFETs and 1200 V Schottky diodes in an industrial and commercial MPPT boost converters can increase power density by 1.1% and achieve 99.49% efficiency. Additionally, Wolfspeed’s 1200 V MOSFETs and diodes offer the industry’s highest rated operating temperature, making them an excellent choice for high heat environments including rooftop solar arrays.
Accelerate your solar system design process with SpeedFit™ Design Simulator
Watch as Wolfspeed's Zan Huang demonstrates using the SpeedFit™ Design Simulator to simulate a solar MPPT Boost Converter and see how you can achieve high efficiency and power density in solar systems even under elevated temperatures.
Improved Reliability, Cleaner Power from Wolfspeed SiC
Wolfspeed Silicon Carbide is uniquely capable of incredible reliability and efficiency, even in the most demanding power applications. That’s because Wolfspeed Silicon Carbide offers:
Block Diagrams
Featured Products for Industrial & Commercial Solar Energy Systems
Industrial and Commercial solar energy systems harness the power of the sun to power large-scale commercial and industrial facilities. Using Wolfspeed Silicon Carbide in these systems improves energy efficiency, reduces switching losses and meets emerging efficiency standards.
Featured Reference Designs
Filter By
Product SKU | Name | Type | Topology | Power | Discrete/Module | Package | Device SKU(s) | Designed By | View Product |
|---|---|---|---|---|---|---|---|---|---|
DC to DC | Flyback | 0.015kW | Discrete | TO-263-7 | Wolfspeed | ||||
AC to DC | Three-Phase 2-Level | 22kW | Discrete | TO-247-4 | Wolfspeed | ||||
DC to DC | Boost - Asynchronous | 60kW | Discrete | TO-247-4 | Wolfspeed |











