
Residential & Light Commercial Solar Systems
Wolfspeed silicon carbide is enabling smaller, lighter and more affordable residential solar systems
Silicon Carbide powering homes across the globe
Every home’s energy needs are unique. Wolfspeed’s Silicon Carbide devices are making it possible to build smaller, more efficient and power dense residential solar energy system, meaning clean energy is now more affordable, reliable and resilient than ever, all while meeting emerging efficiency standards.

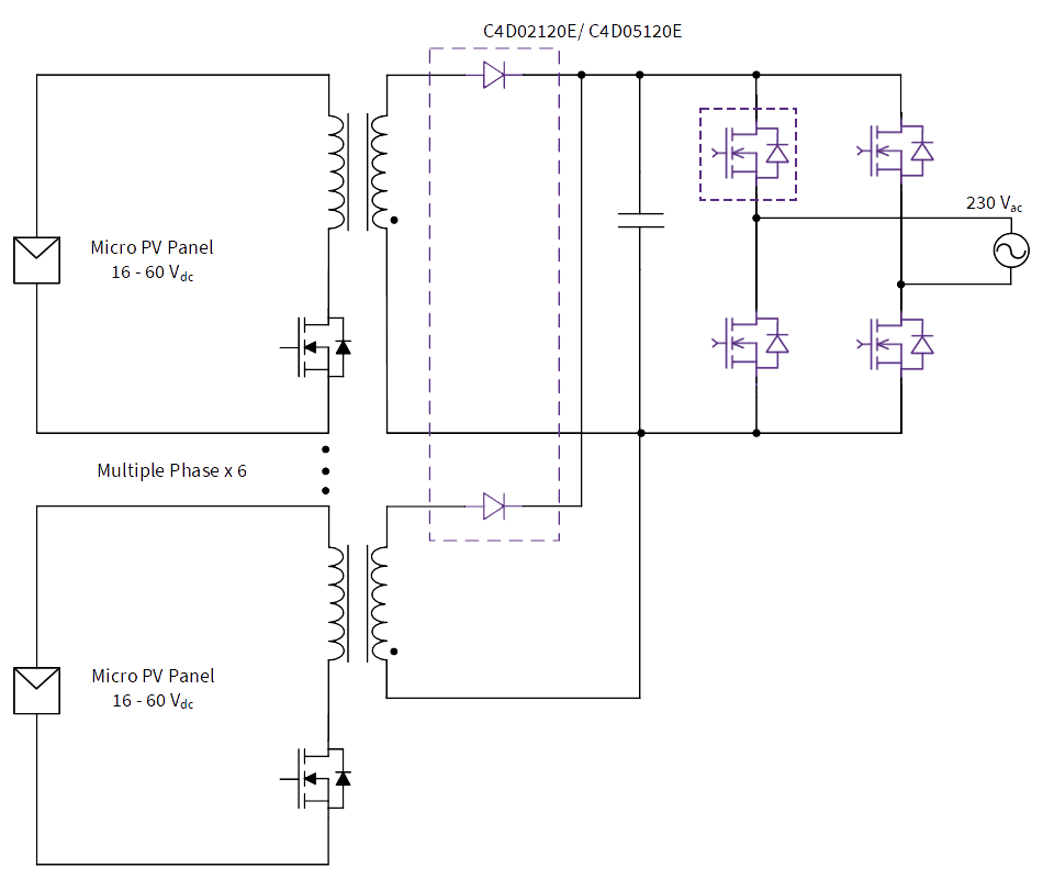
Micro and Single-Phase Inverters
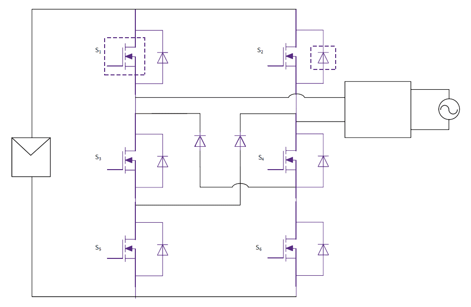
Solar inverters are an integral part of the residential solar system, converting DC current generated by the photovoltaic panel to grid-ready AC. Micro inverters are used in residential settings, converting power for 1-4 solar panels in systems that are < 7 kW. Single-phase string inverters connect larger solar arrays of 5-50 panels in systems that are 5-15 kW and are well suited to larger residential and light commercial applications.
Using Wolfspeed silicon carbide MOSFETs in residential solar inverters creates increased power density and lower switching losses. For example, replacing traditional IGBTs with Wolfspeed’s 650 V MOSFETs in a 7 kW residential single-phase inverter achieves 0.4% higher efficiency, a significant increase in power density (3 kW/L vs. 2.5 kW/L) and an impressive 48 kHz switching frequency, a full 32 kHz higher than using silicon. Wolfspeed’s C3M0045056K MOSFET is a key switch for single-phase systems offering a leading On Resistance over temperature performance and up to 30% less peak reverse recovery current.
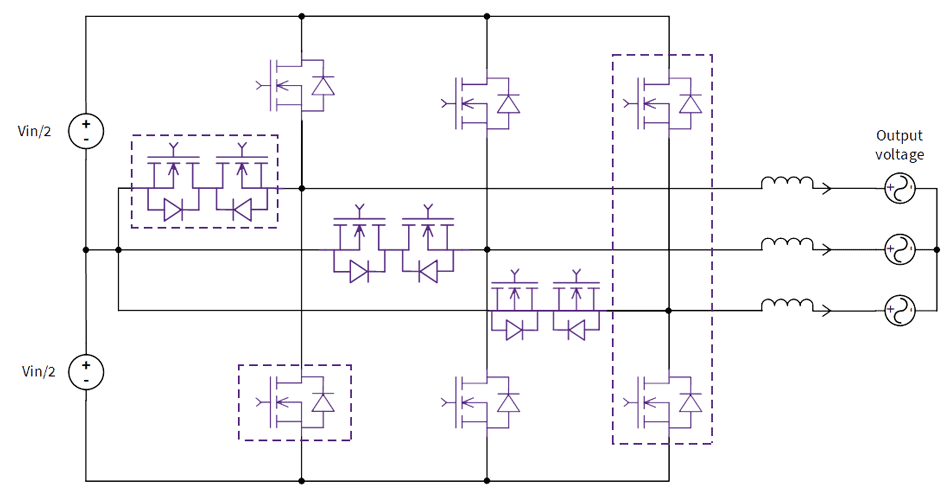
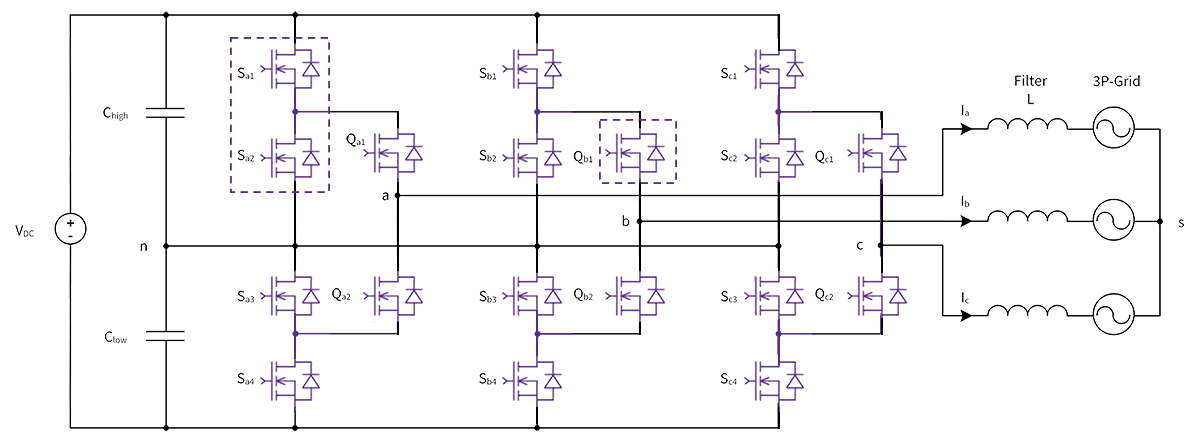
String Inverters for Residential/Light Commercial Systems
Using MPPT Boost Converters in residential and light commercial solar arrays takes the variable voltages produced between panels and generates a consistent, higher voltage to the internal bus. Silicon Carbide Schottky diodes are a proven cost-effective way to maximize MPPT boost circuit performance. Adding Silicon Carbide MOSFETs can provide additional efficiency in even the most challenging designs. Combining 650 V silicon carbide MOSFETs with 650 V Schottky Diodes can further boost efficiency to 1.8% in a 7 kW residential system block with zero design changes.
Improved Reliability, Cleaner Power from Wolfspeed SiC
Wolfspeed Silicon Carbide is uniquely capable of incredible reliability and efficiency, even in the most demanding power applications. That’s because Wolfspeed Silicon Carbide offers:
Wolfspeed SiC Components for Solar Energy Systems
Residential and light commercial solar energy systems harness the power of the sun to power homes and small businesses. Using Wolfspeed Silicon Carbide in these systems greatly improves energy efficiency, reduces switching losses and meets emerging efficiency standards.
Block Diagrams
Featured Reference Designs
Filter By
Product SKU | Name | Type | Topology | Power | Discrete/Module | Package | Device SKU(s) | Designed By | View Product |
|---|---|---|---|---|---|---|---|---|---|
DC to DC | Flyback | 0.015kW | Discrete | TO-263-7 | Wolfspeed | ![]() |











