采用碳化硅革新电力电子技术,开拓可持续解决方案

Article
*版权说明:本内容最初发布于 IEEE Explore。
© 2025 IEEE。允许个人使用本资料。对于任何当前或将来媒体中的所有其他使用,包括在广告或促销活动中重印/重新发布本资料、创建新的集体性作品、转售或重新分发到服务器或列表,或者在其他作品中重用本资料的任何受版权保护部分,必须获得 IEEE 的许可。
摘要 — 市场对高效、清洁和可持续能源解决方案的需求日益增长,这推动了功率半导体行业的发展,也要求人们更加关注先进材料。在各种先进材料中,碳化硅 (SiC) 作为一项颠覆性技术脱颖而出,它与传统硅基器件相比优势明显。
碳化硅兼具高导热性、高击穿电场和高带隙等独特性能,非常适合需要实现更高效率的大功率及高频应用场景。本文将探讨碳化硅在汽车、可再生能源系统、工业用品等多种应用场景中的影响,以突出展示其在电子产品变革中的关键作用。
对碳化硅技术进行商业化应用时,需要持续关注材料缺陷、器件可靠性和相关封装技术。本文还将向研究人员和专业人士介绍一些实用知识,帮助了解碳化硅如何为功率半导体行业实现高效且可靠的解决方案。
I. 简介
电力电子技术几乎已经融入到我们生活中的方方面面。电力电子技术的发展与材料科学、半导体器件技术和系统设计方面的技术进步紧密相连。自半导体材料发明以来,电子设备获得了空前提升,开创了一个新的时代。随着硅材料和器件的跃进,半导体技术开始具有可扩展性和高适应性,而电力电子领域也成为了所有电子系统中充满活力且不可或缺的一部分。碳化硅和氮化镓 (GaN) 等宽禁带半导体技术的发展开辟了新天地,可提供更高的效率和功率密度,能够在更高温度和电压下工作,从而推动电力电子系统不断突破上限。借助这些新扩展的能源能力,就能够以最低损耗将能量从一种形式转换为另一种形式,同时提高系统的功能性和可靠性,从而将电力电子技术拓展到可再生能源系统、电动汽车和智能电网等重要领域。
II. 半导体领域中的重大变革并不常见
20 世纪中期,硅促成了晶闸管和晶体管等半导体器件的诞生,如图 1 所示。通过可靠的开关功能,这些器件能够对电压和电流进行控制处理;但是,它们受到开关速度较慢和控制能力低下的限制。随着硅技术的发展,金属氧化物半导体场效应晶体管 (MOSFET) 和绝缘栅双极晶体管 (IGBT) 器件技术得以实现商业化,可提供更强大的电气特性。1979 年,MOSFET 发明问世,其开关速度更快、工作频率更高,非常适合中低电压应用。1985 年,IGBT 推出,其结合了 MOSFET 和双极晶体管的优点,具有更高电压能力、更快开关速度和更高效率,催生了电力电子系统的巨大进步,推动了先进电路拓扑和控制方法的发展。

这些技术进步确立了明确的性能表征,可推动在能效、功率密度和可靠性等方面的未来发展,助力不断突破硅性能极限。如此一来,人们在宽禁带半导体材料研究方面 的力度也在不断增强。与硅相比,碳化硅的带隙为三倍、击穿电场达到十倍,因此出现成为适合下一代功率器件的理想材料,如图 2 中的雷达图所示。

Wolfspeed 于 2011 年推出了业界首款碳化硅 MOSFET,自此后一直引领从硅到碳化硅的转型,为功率转换器技术开辟了新天地,这在本文所述的多种应用中均有体现。
III. 可持续发展未来
电力电子技术是实现高效电能转换、调节和控制的基础技术。对于在可再生能源发电、电动汽车和工业自动化等多个行业中部署可持续能源解决方案,该领域中的创新至关重要。
A. 电动汽车 (EV)
在向可持续发展未来转型的过程中,电动汽车扮演着至关重要的角色,因为它们有潜力大幅减少温室气体排放、改善城市空气质量并降低对不可再生化石燃料资源的依赖。在 电动汽车中,电力电子设备通过逆变器、转换器和电机控制器等关键组件,来管理和控制电池、电机及辅助系统之间的电力流。这些系统能够实现多种功能,例如:将电池中的直流电 (DC) 转换为电机所需的交流电 (AC),调节各种车辆系统的电压水平,管理电池的充电和放电,以及实现再生制动以重新捕获能量。随着碳化硅材料和器件技术日趋成熟,现在可以在碳化硅中开发出既可靠又坚固的电力系统,同时不影响效率或可持续性。根据麦肯锡最近发布的一份报告,到 2027 年,50% 以上的纯电电动汽车可能会采用碳化硅动力总成,而目前这一比例约为 30% [2]。
A.1. 动力总成系统
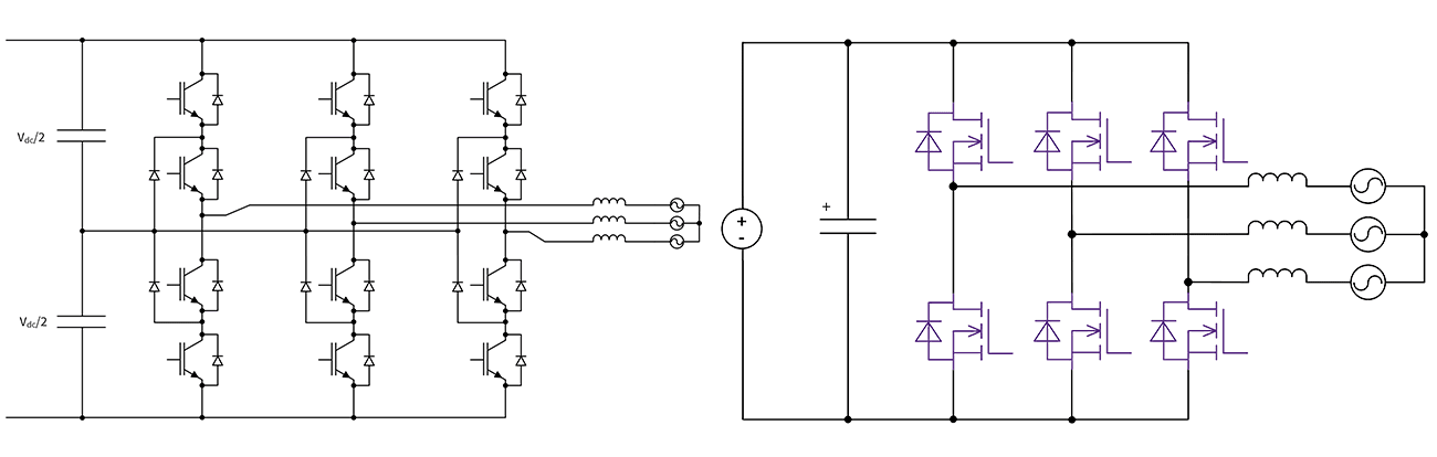
负责将 EV 从 A 点行驶至 B 点的最核心、最关键的系统是电动汽车动力总成系统。电动汽车的动力系统负责处理储存在车辆电池系统中的能量,并将其输送到车轮。驱动一辆满载的车辆所需的能量十分巨大,因此需要瞬时和可预测的能量传输。此外,车辆的续航能力主要取决于以最高效率和最小阻力提供动力的能力。碳化硅 MOSFET 的持续演变使得工程师能够设计出足够坚固耐用的动力总成逆变器,以应对高温和极端湿度,同时提供相比硅 MOSFET 更高的电压范围和更快的开关速度。通过在电动汽车的动力总成系统中采用碳化硅 MOSFET,可减少高达 80% 的功率损耗,从而将行驶距离延长多达 10%。除了为日常驾驶者带来效率提升这一好处外,碳化硅 MOSFET 的高效率还让汽车系统设计人员有机会采用比传统设计更小、更轻、更高效的电机,同时提供强劲的性能。Wolfspeed 80 kHZ 三相参考设计(图 3)就是一个基于碳化硅的逆变器示例。与同类硅基逆变器相比,该设计可以将功率密度提高至两倍,并且可以嵌入在超低电感封装结构中。

A.2. 快速充电系统
全球范围都在向电动汽车转型,因此要求充电基础设施实现重大进展,以满足广泛部署的需求。虽然低功率车载充电器(小于 15 千瓦)足以在闲置期间进行住宅充电,而且碳化硅开关比硅开关具有更高的反向极性操作性能,因此成为了双向充电的理想选择,但长途旅行和商业应用却需要大幅缩短充电时间,接近传统加油站的加油速度。要实现这样的更高充电速度,要求电池技术取得同步发展,并且开发出能够支持快速能量传输且稳固可靠的高功率充电基础设施。碳化硅可实现更高开关速度和更大功率输出,从而提供效率高得多的快速充电。这些因素促进了碳化硅 MOSFET 和模块在 电动汽车充电应用中的激增;同时,为了满足长途电动化卡车和送货车辆所需兆瓦级快速充电系统的需求,正在引入中压等级技术。
A.3. 车载充电系统
车载电池充电机是电动汽车保持动力的关键:充电机将车主家中的交流电转换为直流电,为电池充电。充电 机通常还能进行再生制动,在制动时从车辆本身获取动能以增加电量。得益于碳化硅器件技术,这些系统在输出、尺寸和速度方面都表现出了高效性。对于基于碳化硅的车载充电系统,如果设计中具备双向能量传输功能,则既能从电网接收能量,又能将能量回馈给电网,从而有助于稳定将来的电网,甚至能在停电期间为车主的重要家用系统供电。
A.4. 车载 DC/DC 转换器
在现代汽车中,特别是电动汽车中,车载 DC/DC 转换器发挥着极为重要的作用;由于集成了信息娱乐、导航、照明和自动控制等先进系统,对电力的需求不断升高。这类转换器负责转换和调节来自电池的直流电,为相互依赖的各个系统提供正确的电压,从而确保实时性能,防止因故障而影响车辆运行。碳化硅技术的进步正在革新这些 DC/DC 转换器的效率和性能。与传统硅元件相比,碳化硅器件的电气和热性能更优。它们能够减少开关和传导损耗以实现更高运行效率,这不仅改善了能量转换,而且还最大限度地减少了发热。碳化硅器件能够在更高温度和更快开关速度下工作,从而增强复杂车辆系统实时调节电压的能力。此外,这些先进技术还使功率转换器体积更小、重量更轻,从而减轻了整车重量,并为其他组件腾出了空间。
B. 可再生能源
可再生能源是全球增长 最快的能源,占全球发电能力的三分之一,而碳化硅技术在提高下一代储能、太阳能和风能系统的效率和功率密度方面扮演着举足轻重的作用。根据国际能源署 (IEA) 的数据,2023 年全球可再生能源装机容量增加了近 50%,是二十年来增长最快的一年;预测显示,2023 年至 2028 年间将新增近 3,700 千兆瓦的装机容量 [3]。该增长主要由太阳能光伏发电 (PV) 和风能推动,因为这两种能源相对于化石和非化石燃料替代品具有成本优势,预计这些能源将占增长量中的 95%。预计到 2028 年,可再生能源将占全球发电量的 42% 以上,其中风能和太阳能光伏发电将占 25%。要在可再生能源方面实现更高的投资回报率,特别是太阳能和风能,需要持续提高效率、容量、功率密度和成本效益。Wolfspeed 最近与领先的地面电站可再生能源逆变器制造商 EPC 合作,实现了模块化两级系统架构,如图 4 所示。这种独特的功率设计最终可实现低维护、易维修且可大规模生产的逆变器方法,从而支持快速部署可再生能源。有关如何利用 SiC 简化以前的三级系统的更多信息,请参阅 Wolfspeed 案例研究 [4]。

C. 人工智能革命及其对数据中心的影响
人工智能 (AI) 正推动市场对数据中心前所未有的需求,这大幅增加了全球的能源消耗。如图 5 所示,2021 年,Amazon、Google、Meta 和 Microsoft 等大型科技公司的用电量达到 72 太瓦时,是 2017 年用电量的两倍多;而随着 ChatGPT 等生成式人工智能技术的兴起,这种需求只会进一步加剧。人工智能模型的能耗远高于传统应用:每次人工智能查询请求大约需要消耗 2.9 瓦时电量,是一次典型 Google 搜索所需能量的近十倍。

2024 年的 EPRI 报告预测,到 2030 年,数据中心的耗电量将高达美国电力的 9.1%,因此,必须找到适用于人工智能工作负载的可持续解决方案 [5]。虽然一些公司在尝试将服务器浸入海洋或使用积雪等冷却方法,但碳化硅技术提供的解决方案更具实用性和成本效益。碳化硅器件发热量较少,并且在高温环境下仍能保持可靠性能,从而提高了能源效率,并减少了对外部冷却的需求。
碳化硅具有更佳的性能表征和导热能力,因此功率密度更加卓越,可将功率提高 40%,或将系统尺寸缩小 40%。如果全球所有数据中心都用碳化硅取代硅基元件,那么节省的能源可供曼哈顿地区使用一整年。在 过去十年间,全球法规对提高外部电源效率的要求越来越高,而碳化硅和氮化镓是能够以最低系统成本满足最严格标准(如 80+ Titanium、ORV3 和 Energy Star 能效标准)的唯有材料。通过采用碳化硅,不仅能提高能效,而且还能确保数据中心符合不断变化的监管要求,同时最大限度减轻环境影响、降低运营成本,并最大幅度提高计算能力。
IV. 碳化硅技术成熟度
随着碳化硅器件在先进应用中的普及,对低缺陷率、高质量碳化硅材料的需求日益增长。这些高质量衬底和晶圆对于实现最佳器件性能与可靠性至关重要,因为诸如微管和位错之类的缺陷会大幅降低效率并缩短使用寿命,尤其是在高压系统中。Wolfspeed 不断改进生产工艺,生产出质量更高、直径更大且性能更稳定的碳化硅晶体,从而提高可靠性和效率,如图 6 所示。在过去几十年中,碳化硅技术已经从实验阶段发展到广泛商用阶段,克服了早期在制造稳定性和成本方面存在的挑战。

Tairov 和 Tsvetkov 在 1978 年的工作为碳化硅研究活动奠定了基础 [6],也为未来的发展构筑了基石。1987 年,碳化硅技术先行者 Cree Inc.(现为 Wolfspeed)成立;到 1992 年,该公司生产出第一片商用碳化硅衬底,标志着技术上的重大飞跃。随着零微管 (ZMP) 衬底的推出,实现了巨大突破,从而解决了微管问题,这是碳化硅材料中一种致命的器件故障缺陷。从 1992 年的 25 毫米晶圆开始,到 2015 年的 200 毫米晶圆,晶圆从小尺寸到更大尺寸的过渡在提高制造效率和降低成本方面发挥了重要作用。
在这些尺寸增加的同时,Wolfspeed 通过降低位错密度和改善晶圆形状,显著提高了碳化硅衬底的质量,从而带来良率更高、更为可靠的碳化硅器件。Wolfspeed 的 200 毫米碳化硅技术不断完善,凸显了实现碳化硅材料和器件在实现稳定性、大批量生产和质量一致性的重要性,如图 7 所示。这些进步使得碳化硅技术在全球范围内趋于成熟,能够应用于上述复杂系统中。

VI. 碳化硅技术的未来趋势
碳化硅技术的持续创新正在塑造电力电子技术的未来,发展趋势已不仅仅是传统的可靠性问题,而是更加注重耐用性、效率和高级集成。随着越来越多的工业和可再生能源应用需要在更高母线电压下运行,宽禁带 (WBG) 技术必须应对这些众多应用实例所在的挑战性环境。功率组件供应商在评估用于在高压、高频应用中实现最佳性能的关键措施时,必须超越数据表来考虑关键的可靠性标准,并考量哪些改进甚至规范对于确保更高耐用性至关重要。例如,对于高海拔应用,必须考虑宇宙射线粒子所导致的性能下降,因为这会对失效率 (FIT) 产生重大影响。对于可再生能源设施,可能需关注设施在潮湿环境中的性能,因此可能需要满足温度-湿度偏差 (THB) 规范。随着建筑及农用车辆 (CAV) 日益实现电气化(图 8),其中的器件必须承受因使用条件而产生的高温,因此需要了解栅极氧化物所承受的应力。最后这项要求也凸显了碳化硅器件技术的持续发展以释放未来潜力 [7]。
宽禁带组件供应商需要了解耐久性设计所带来的日益严峻的挑战,并认真权衡设计上的取舍,以实现适当的性能,同时确保碳化硅在商业上仍能被长期使用的基于 IGBT 的可靠系统所接受。除了器件设计和加工创新之外,先进封装技术也将至关重要,其通过解决恶劣环境中常见的热、电和机械问题,来充分发挥碳化硅的优势。

电力电子技术领域的另一个明显趋势是,从单独功率转换器转变为集成度更高的系统,同时更加强调整体能源管理,而非孤立电源功能。这种转变涉及分析各系统组件之间的相互作用,不仅要提高功率,而且还要改善整体能效。此转变也反映了功率转换器技术的不断发展,其推动因素包括碳化硅等半导体器件取得的突破、新电路拓扑结构、创新型控制策略以及无缝式系统集成。效率更高、功率密度更大、集成度更高的解决方案很可能会在未来几年主导电力电子领域的发展趋势。
小结
从硅到碳化硅的转型是电力电子领域中难得一遇的技术变革。与传统硅相比,碳化硅具有更优越的材料特性,如更高热导率、更高击穿电压和更快开关速度,因此非常适合大功率、高温和高效率应用场景。随着 Wolfspeed 不断推动碳化硅技术的进步并持续大批量提供高质量碳化硅产品,这种转变已不仅仅是一种渐进式改进,而是一种基础性变革,使各行各业均实现了前所未有的性能水平。通过利用碳化硅 技术,各行业能够在降低运营成本和碳排放的同时,显著提升绩效。碳化硅的广泛应用标志着电力电子和半导体领域的重大转折点,因为它开启了以往无法通过硅实现的各种可能性,为未来数十年的能源管理和功率转换技术塑造了光明前景。
参考文献
- Lorenz L., Erlbacher T., Hilt O., Future technology trends, Wide Bandgap Power Semiconductor Packaging: Materials, Components, and Reliability, pp. 3-53. 2018
- McKinsey & Company, “Managing uncertainty in the silicon carbide wafer market,” Aug. 2024
- Semiconductor Today. Silicon carbide substrate costs falling as larger diameters adopted. Published March 2024.
- International Energy Agency (IEA), “Renewables 2023,” License; CC BY 4.0, Apr. 2024
- S. Magargee, “Keeping the lights on with Wolfspeed SiC,” Aug. 2024
- ERPI, “Powering Intelligence: Analyzing Artificial Intelligence and Data Center Energy Consumption,” May 2024.
- Yu. M. Tairov, V.F Tsvetkov “Investigation of growth processes of ingots of silicon carbide single crystals,” Journal of Crystal Growth, March 1978
- Wheri Z., Godbold V., Schlegel M., Hudgins J.L. “Oxide Failures in SiC Power MOSFETs,” IEEE, Oct. 2023