Answering the call: Powering AI with reliable silicon carbide-based solid-state transformers

Article
NVIDIA's 800V HVDC architecture — announced at Computex 2025 — fundamentally transforms AI factory power delivery with direct benefits to GPU density and efficiency1. By distributing power at higher voltage, wiring requirements are significantly reduced, freeing rack space for additional GPUs and enabling the emerging 1MW rack designs. The architecture delivers up to a 5% improvement in end-to-end power efficiency and a 70% reduction in maintenance costs. Silicon Carbide is the critical enabling technology: the 800V DC bus requires 1200V SiC MOSFETs for AC-DC rectification and DC-DC conversion, delivering a 25–40% reduction in conversion losses.

However, realizing this vision requires solving an upstream problem. In Figure 2, the International Energy Agency (IEA) warns that approximately 20% of planned data center projects are at risk of delays due to electrical grid constraints and supply chain bottlenecks on conventional transformers2. Reducing AI data center build‑out duration is essential to mitigate this risk. Accelerated global deployment is increasing procurement and installation lead times for the medium‑voltage (MV) transformers that connect the data center facilities with the utility grid The availability of medium-voltage transformers is emerging as one of the primary constraints on AI data center expansion, with lead times stretching up to 3 years3.

The solution lies in Solid-State Transformers (SSTs) — power electronics-based alternatives to conventional iron-core transformers that can convert medium-voltage grid power directly to 800V DC, dramatically compressing deployment timelines and enabling modular, scalable grid interconnection.
Once again, Silicon Carbide is the enabling technology: medium and high-voltage SiC devices are the key semiconductor breakthrough accelerating SST development, enabling higher switching frequencies, superior thermal performance, and compact form factors that conventional silicon cannot achieve. In this light, SiC's role in the AI datacenter revolution extends far beyond the rack — it is foundational to the entire power delivery chain from the grid to the GPU.
Grid-tied renewable energy sources are being leveraged in more of the infrastructure powering today’s data centers. But as power levels increase, and hyperscalers elbow their way into the larger grid – or create their own microgrid - ensuring that power conversion remains stable and reliable throughout rapidly shifting load profiles is an immediate engineering barrier to overcome.
In short, power availability is paramount, and the solid-state transformer might be AI’s white horse.
Why do transformers matter?
Traditional transformers are commonplace, and at their foundation exist to buck or boost AC input voltage, and transmit power from point A to point B. They can be huge, albeit relatively simple in nature, including heavy copper windings and magnetic cores to “transform” to the appropriate output voltage. Electronics manufacturers are re-thinking the transformer concept, moving to a solid-state transformer (SST), replacing the heavy copper coils by light-weight solid-state semiconductor devices. Unlike conventional transformers a SST can respond to changing demands faster and adjust its power flow and output smartly. Early SST concepts may consolidate functions traditionally provided by switchgear and UPS/battery systems, enabling DC compute loads to be powered directly from the utility grid or an alternate source.
At a minimum, a SST is valuable if it can meet the variable power ranges that the 800 V DC rack architecture will bring in the future. But a power dense SST brings enormous value for data center original equipment manufacturers (OEMs) who are trying to make the most of an AI campus’s very valuable floor space, without sacrificing power uptime. Some manufacturers are finding unique ways to integrate smarter protection and control algorithms alongside robust isolation to achieve predictive maintenance, with the intent to avoid any power downtime.
SST pilot deployments are occurring while procuring traditional transformers is a commercial challenge. Data suggests that in 2025 data center expansions and kickoffs might be responsible for years-long lead times and a nearly 30% shortage of the necessary transformers4.
Two-ways to achieve a reliable SST enabled by medium to high-voltage SiC devices
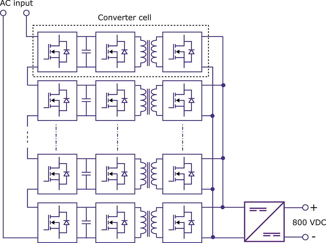
Power inputs of AI data centers typically connect near the 13.8 - 35 kV AC power level. A SST converts the high voltage AC input to 800 VDC output connected to the compute rack. Figure 3 shows a simplified building block of a typical SST architecture made of several cascaded converter cells based on the DC bus of the cells and voltage rating of the power devices.

Wolfspeed has been partnering with leading SST manufacturers to understand their core constraints. Wolfspeed’s medium-to high voltage die and module portfolio is expanding with silicon carbide options that enable scalable implementation of silicon carbide to achieve multiple factors of greater density over traditional solutions. Table 1 below summarizes some of the tradeoffs between a MV and HV SiC-based SST design.
| Design nuances | MV-rated SiC power devices <5kV blocking voltage | HV-rated SiC power devices >5kV blocking voltage |
|---|---|---|
| Architecture | Series stacking of multiple devices, often in three to five-level architectures | Wolfspeed 10kV die can enable a simple two-level cell |
| Modularity | Smaller building blocks are easier to handle and service | Larger and less modular therefore not as easy to handle |
| Insulation | Requires precise attention to insulation coordination between cells | Simpler insulation |
| Control Scheme | Control algorithm needed to gate the series switches for a cleaner output | Less complex control scheme due to fewer cells |
| Gate Driver | 3.3kV rated SiC gate drivers are commercially available | Very few compatible solutions available above 3.3 kV, requiring vendors to do custom development and qualification |
| Electromagnetic Interference (EMI) | Multi-level architecture requires smaller dv/dt | Switch with high dv/dt requiring ultra-low-parasitic design |
The good news is that several SiC technology nodes are ready for integration into designs now, offering a flexible path to a variety of SST architectures. For those who are prioritizing a medium voltage device based-SST, WolfPACK™ power modules’ excellent switching performance enables passive reduction, and the devices’ 15% greater voltage headroom compared to 2 kV devices gives system designers the flexibility to power a full 1500-V DC bus.
But to my previous point, power is only as good as it’s available, hence why every medium voltage Wolfspeed module is designed with durability in mind. These WolfPACKs perform predictably at a variety of altitudes thanks to their ultra-low cosmic ray failure-in-time (FIT) rate performance.

A clear path to HVDC cell-based SSTs
For high-voltage (>5 kV blocking voltage) designs, SST designers can move to an even simpler cell architecture with Wolfspeed’s new 10 kV silicon carbide power MOSFET. The CPM3-10000-0300A achieves an excellent 99% conversion efficiency, which provides a means to a 50% reduction in thermal cooling system compared to conventional HV-rated silicon IGBT based-designs. Higher switching frequency in SSTs directly reduces the size and weight of the magnetic components, because the required magnetic coils and core size decrease as frequency increases. To keep magnetics compact, SST power stages typically target switching frequencies higher than 10,000 Hz. Conventional 6500 V silicon IGBTs have high switching losses and are generally limited to a few hundred hertz switching, making HVDC cell‑based SSTs impractical with high‑voltage Si IGBTs. In contrast, Wolfspeed 10 kV SiC MOSFETs can operate above 10,000 Hz with substantially lower switching loss and faster transitions, making compact, lightweight SSTs feasible.

Bipolar degradation is one of the major causes of failure of HV SiC devices operating for long periods of time. The Wolfspeed 10kV MOSFET is also the first known commercial SiC device in its class whose bipolar stability has been established by the body diode operating life (BDOL) testing with zero bipolar degradation over 1,000 hours. Additionally, the CPM3-10000-0300A exceeds the industry’s cosmic ray FIT rate requirement by 4X at a typical 6,000V dc operation, ensuring fewer single points of failure throughout the operating life of SST. While these might feel like bold claims to make for a new technology node, let me explain why you can trust the figure. Wolfspeed has a long history of wide bandgap materials development and has been demonstrating > 5kV SiC power devices for nearly 20 years now. As a research scientist in our medium and high-voltage business unit I feel like I’ve come full circle and am proud of technology that I’ve had a front-seat to in more than one capacity. In 2021 I presented my PhD dissertation on “High Voltage SiC Power Devices in Medium Voltage Power Converter Applications.” The majority of my doctoral research was based on Wolfspeed’s 10 kV SiC MOSFETs. Medium and high voltage SiC has been Wolfspeed’s domain for quite some time!
Where do we go from here?
If SSTs are the answer, and I believe they are, it will take more than just acceleration from SiC MOSFET manufacturers to enable a quicker path to market. SST design isn’t trivial, and essential components aren’t broadly available at the right voltage ratings, which may require custom development by SST vendors and makes dual-sourcing a challenge.
Given the power SSTs are handling, safety is critical. Protection schemes must be carefully architected, and millisecond class DC fault clearing is required for high voltage nodes. Gone are the days of utilities customers using converter efficiency as the target benchmark. Efficiency is table stakes – but safety and durability are the differentiators.
While gate drivers for SiC devices rated at 3.3 kV and below are commercially available, compatible gate drivers for high voltage SiC are few and far between. Medium frequency magnetics and insulation systems compatible with HV SiC devices also aren’t widely commoditized yet, which puts the onus of device design on the SST vendor. I’m certain with the right partnership that SiC MOSFET IDMs can deliver the performance that SSTs mandate, but we need a collective push from electronics manufactures of all stripes to fill the gaps.
Power and passive electronics manufacturers are perhaps facing a once in a lifetime chance to shape the pace and extent to which a life-changing technology like AI is deployed. To other suppliers, I’m asking for your help. Let’s all buckle down and deliver the components that are essential to powering a more reliable AI infrastructure.
Sources
- NVIDIA: Building the 800 VDC Ecosystem for Efficient, Scalable AI Factories
- IEA: AI and energy security report
- Northfield Transformers: Preparing for the Next Surge: How Data Center Expansion is Reshaping Transformer Demand
- Transformer Magazine: U.S. faces 30% transformer shortfall in 2025