PowerMakers:
How Wolfspeed’s Fayetteville Team Turns Silicon Carbide Expertise into Customer Momentum
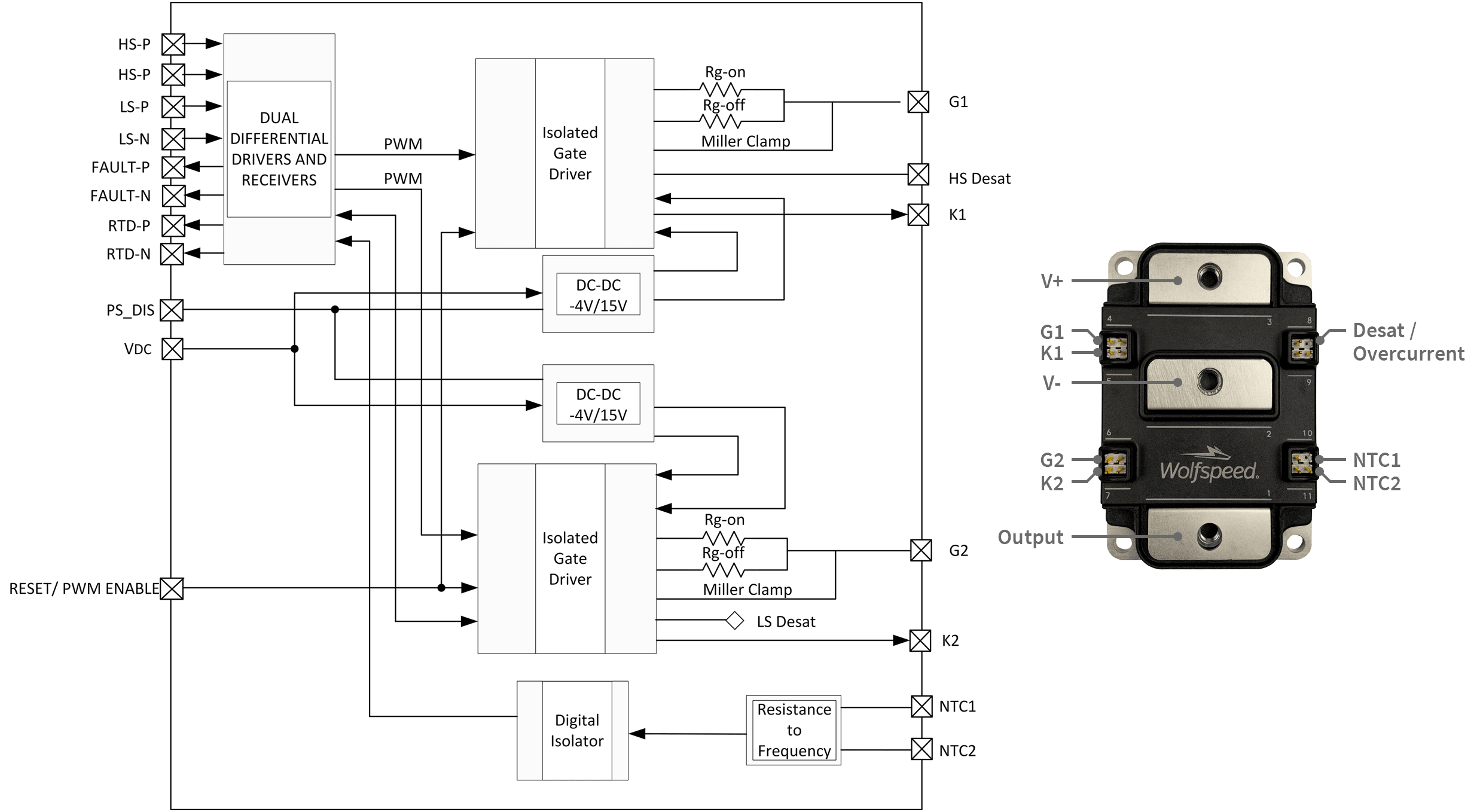
At our Fayetteville site, Ty McNutt and his team don’t just solve for specs —they rethink systems. That’s the difference between supplying parts and becoming the partner customers rely on.


