SpeedVal™ Kit Modular Evaluation Platform Half-Bridge Motherboard
MOD-MB-HB-0900V-40A
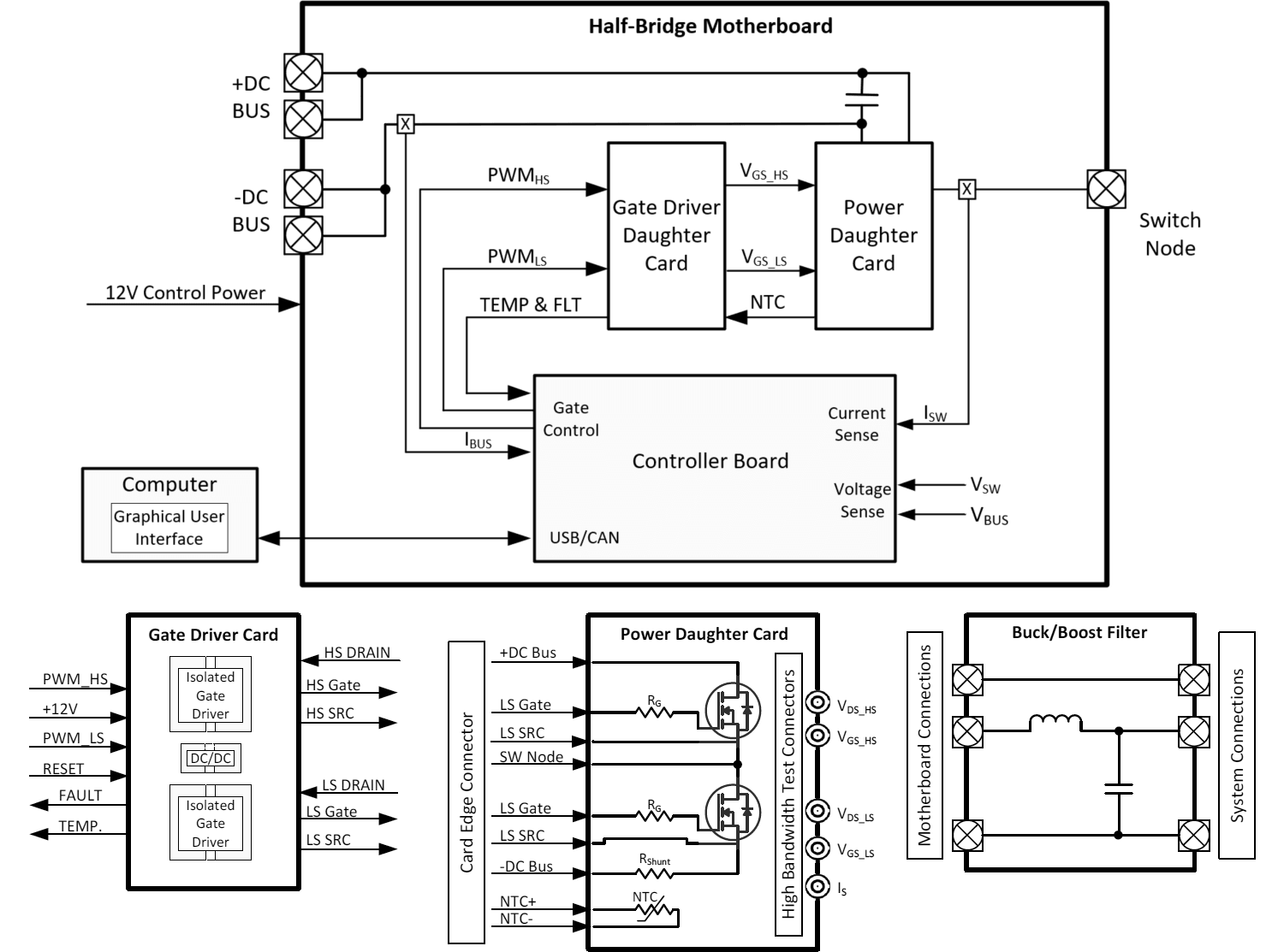
Wolfspeed’s MOD-MB-HB-0900V-40A motherboard operates up to 900 V and 40 ARMS and includes the power connections, DC bus, and interface for the daughter cards. This motherboard supports a single half-bridge configuration with one gate driver card and one power daughter card. It is designed for double pulse testing or continuous power testing as a buck or boost converter. The PWM signals for the Silicon Carbide MOSFETs can be supplied externally from a function generator, or by using one of the optional control cards that plugs into the motherboard. The control cards have pre-tested firmware and a computer-based graphical user interface (GUI) that allow the controller to run a double pulse test or operate the evaluation board as a buck or boost converter in both synchronous and asynchronous configurations. The control card and GUI also provide system-level feedback of the input and output voltage and current readings.

SpeedVal Kit™ Modular Evaluation Platform Half-Bridge Motherboard
