Dynamic Characterization Evaluation Tool Optimized for the Wolfspeed WolfPACK™ Half Bridge Module Platform
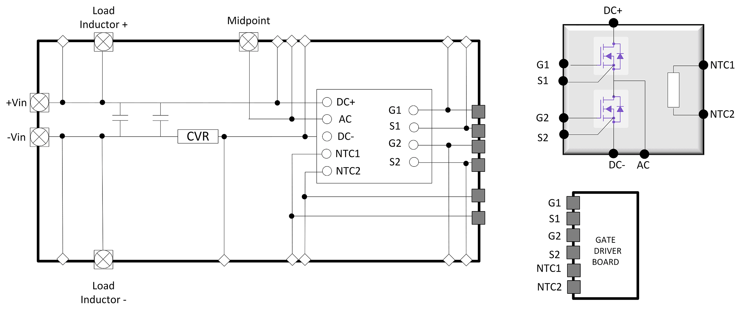
Wolfspeed’s KIT-CRD-CIL12N-FMA is a dynamic characterization tool that can be used to evaluate and optimize switching performance of Wolfspeed’s WolfPACK™ FM3 Silicon Carbide (SiC) half-bridge power modules. A clamped inductive load (CIL) test circuit with current measurement provides a high speed; low inductance test fixture for double pulse testing. This test fixture in conjuction with a choice of gate driver boards options allows measurement of:
- Timing (TDelay-On; TDelay-Off; TRise; TFall)
- Overshoot (VDS-Max; ID-Max)
- Speed (di/dt; dv/dt)
- Switching Loss (EON; EOFF; ERR)
Specifications
- Optimized for Wolfspeed’s WolfPACK™ Silicon Carbide half bridge power modules
- DC bus voltage up to 1000V
- On Board 200uF Bulk Capacitor and High Frequency Film Capacitor Bank
- High speed; low inductance layout with stray inductance of 6.2nH @10Mhz
- On-board Current Viewing Resistor (CVR)
- Screw terminal‘s for supply; midpoint and load inductor connections


