中等功率应用是 Wolfspeed WolfPACK™ 功率模块“最理想的应用场合”
Article
随着电力电子设备的采用越来越广,设计工程师不断面临着挑战,需要创建比以往效率更高的系统。通常,面临的重大挑战之一是为新设计选择最合适的器件,这对于在不增加不必要系统成本的情况下满足转换器规格而言至关重要。Wolfspeed 深知这一挑战,不断扩充我们的产品组合,以更好地满足客户需求。我们的目标是向应用工程师提供广泛的产品,采用后可使其设计比竞争对手更高效、更可靠、更可灵活配置。
经过 30 多年的碳化硅(SiC)研发,我们目前的产品组合中包含各种 SiC 肖特基二极管、MOSFET 和功率模块,涵盖了广泛的功率要求。相较于硅(Si)晶体管,出色的载流能力和更低的开关损耗使转换器具有更高的效率和功率密度,最终为中等功率转换器(10 至 100 kW)带来了最佳解决方案。也正因如此,Wolfspeed 近期推出了 WolfPACK™ 功率模块系列。对于传统上进行分立式器件并联的转换器,该系列功率模块可谓是理想的替代方案。
功率模块对比分立式晶体管
在中等功率应用中,分立方案通常在每个开关节位置上要求多个器件。无论是并联式还是交错式,这些额外的器件都会进一步增加电路板布局、热管理、隔离、电磁干扰(EMI)和可靠性方面的设计挑战。功率模块提供的关键优势在于,它们在设计上可降低此类挑战的复杂性,并可大大减轻系统设计负担(特别是在替代一排分立式晶体管时)。图 1 从概念上展示了适合于 WPAC 系列的功率输出范围;功率水平超过 10 kW 时,分立式解决方案的复杂性随之增加,这让 WolfPACK 系列在成本方面更具吸引力。

中等功率系统分立式方案设计的典型挑战
设计分立式方案器件的转换器时,设计人员必须对所需的晶体管规格(如阻断电压、额定电流、导通电阻和开关能量)加以谨慎考虑。通常,一个重大的设计问题是对器件的选择,而且由于封装限制,分立式器件会限制可扩展性。这意味着,增加系统功率要求(或设计更高输出功率的转换器)通常需要大量重新设计。此外,重复的器件选择还需要新的、更高电压/电流的晶体管,并且常常还需要进行新的热管理、PCB 布局和机械设计来适应封装。
如果选择采用并联更多晶体管的方法,会带来一系列新的挑战。例如,采用新器件及其热管理和外围元件(如栅极驱动器和无源元件)将需要占用更多空间。由于并联晶体管间电感不平衡会导致更高损耗、电压过冲和寿命缩短,因而会带来更多布局上的挑战。换言之,大幅度扩展分立式方案转换器的输出功率与设计新转换器一样,挑战重重。
由于转换器的目标是通过更高的开关频率来实现更大的功率密度,因此设计分立式器件的挑战也随之增加。实现高开关频率所需的更快转换速率会给控制系统带来电磁干扰,特别是在 PCB 设计不佳的情况下。电磁干扰所可能直接引发晶体管误开启,进而会导致额外损耗、器件寿命缩短,甚至使转换器失效。更快的转换速率还会增加栅极驱动器成本,因为需要进行大量隔离来保护敏感控制系统免受功率瞬变的影响。此类栅极驱动器成本也与所需的并联晶体管数量有关。
减少杂散电感对转换器设计至关重要。PCB 走线、封装、连接器、接口、引线和电线都会引起杂散电感,在设计功率和栅极回路时必须谨慎。尤为关键的是将栅极和功率回路耦合在一起的电感,这些电感为电源和信号源连接所共用(即共源电感)。采用独立开尔文连接的封装通常是首选,因为这种封装可消除任何外部的源极寄生电感(LCS)。虽然上述考量在转换器设计中一直都很重要,但当利用高 di/dt 的 SiC 晶体管时,这些杂散电感会发挥更为关键的角色。这是因为由 MOSFET 开关产生的 di/dt 会在寄生电感上产生电压(VL = L × di/dt),而这会增加 MOSFET 漏极的电压峰值。因此,母线电压和 MOSFET 阻断电压间所需的裕量与开关速度和寄生电感直接息息相关。由于开关速度也与开关损耗相关,因此,减少寄生电感远比降低开关速度要有益得多。这些影响在并联器件时会变得更糟,因为在开关瞬间可能会发生明显的电流不平衡。1
采用功率模块可消除许多此类设计上的挑战,对功率和栅极回路的优化会更容易,因为许多必要的工程设计已经在模块中完成。这降低了转换器设计的复杂性,并简化了对布局的改动。设计人员还可从 Wolfspeed 的“设计库”中查找可靠的模块布局经验法则2。
通常,分立式器件需要在其热界面和热管理系统之间进行电压隔离。原因在于散热片或冷板将接地,而分立器件将暴露于高电压下。功率模块通过将器件贴装到合适的铜面陶瓷(通常称为直接敷铜基板 [DBC])上,从而无需进行额外的绝缘设计。功率模块设计中采用的传统堆叠方式,将 DBC 连接到金属(或复合材料)底板上,底板上带有用于将模块固定在散热片或冷板上的的安装点。安装底板时必须要谨慎,因为压力不均或热传介质材料 (TIM) 不足/过量,都会增加模块和热管理系统之间的热阻。
实现这些界面之间良好的热传递需要两个主要因素:热阻(Rth)和热膨胀系数(CTE)。
Rth 是热从一个界面传递到另一个界面的容易程度的模型 - Rth 越高,表明从热源中提取的热能(或功率损耗)就越少。热阻的大小取决于接触面积、材料的热导率和层厚。在带底板的功率模块中,必须对 RJC(即晶体管芯片和底板外壳间的热阻)以及外壳和散热片间的热阻加以考虑。为了降低 RJC,全新的 Wolfspeed WolfPACK 模块采用无底板,实现了对 DBC 基板的直接冷却。这增加了晶体管的热传递,降低了给定功率水平下芯片的结温(图 2)。

通常,SiC 芯片的 CTE(4.0 10–6/K)与陶瓷基板的 CTE 相匹配,后者一般由氮化铝(AlN: 4.5 10–6/K)或氧化铝(Al2O3: 8.2 10–6/K)构成。但出于机械原因,底板一般由铜(Cu: 16.5 10–6/K)或 Al-SiC 复合材料(8.4 10–6/K)制成。这种不匹配,加上 DBC 和陶瓷之间的刚性接合层,会导致材料结点处应力的增加。这些作用在 DBC 和底板间大接触界面上的热机械应力,会导致焊点疲劳和断裂。充足的热循环会引起焊点分层(这会大大增加热阻),甚至会使脆性陶瓷 DBC 断裂,导致模块失效。4,5
Wolfspeed WolfPACK 独特的无底板设计消除了与不匹配材料的刚性连接,进而消除了这种机械性失效点。底板安装螺栓被替换成金属扣片,金属扣片在塑料外壳上拉动,将力均匀地分布在基板上。由于 DBC 和散热片之间的界面是柔性润滑脂(而非刚性焊料),因此可允许材料间的胀差,而不会产生很大的应力。除了可靠性优于手动和自动焊接外(参见表 1),这些压合式金属扣片还大大降低了功率模块的组装成本。这种安装方法便于将任何数量的模块和其他器件安装到单一散热片或冷板上,由此简化了热系统设计。
工艺 | 导体直径 (mm2) | 失效率 λ 参考值 (FIT)(1) | 备注:标准/指南 | |
|---|---|---|---|---|
焊接 | 手动 自动 | - | 0.5 0.03 | IPC 6102 规范,2 级 |
压合式 | 0.3 至 2 | 0.005 | IEC 60352-5 | |
混合电路引线连接 | Al Au | - | 0.1 0.1 | 28 µm / 楔形连接 25 µm / 楔形连接 |
绕组 | 0.05 至 0.5 | 0.002 | DIN EN 60352-1 / IEC 60352-1 CORR1 | |
压接 | 手动 自动 | 0.05 至 300 | 0.25 | DIN EN 60352-1 / IEC 60352-2 A 1+2 |
夹接 | 0.1 至 0.5 | 0.2 | DIN 41611-4 | |
绝缘穿刺线夹 | 0.05 至 1 | 0.25 | IEC 60352-3 / IEC 60352-4 | |
螺丝 | 0.5 至 16 | 0.5 | DIN EN 60999-1 | |
端子 (弹簧力) | 0.5 至 16 | 0.5 | DIN EN 60999-1 | |
1) 1 FIT = 1×10-9 1/h;(每 109 元件工作小时失效一次) 2) PCB 的验收条件 |
设计人员如何利用 Wolfspeed WolfPACK 扩展功率?
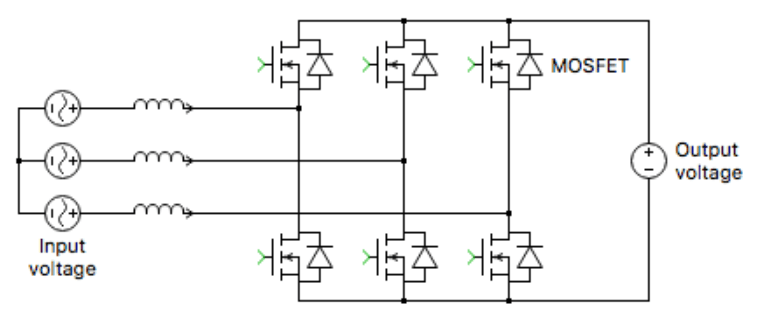
与分立式元件和传统功率模块相比,Wolfspeed WolfPACK 模块的大功率/大电流能力大大简化了中等功率转换器(最高 100 kW)的设计,易于使其更具扩展性,而且占用空间小,可实现更高的功率密度。Wolfspeed WolfPACK 模块提供一系列不同规格和配置,这允许许多功率系统得以快速开发、易于构建和维护,且在现场实现高可靠性。这些模块的最大额定漏源极电压(VDS)为 1,200 V,连续漏极电流(ID)为 30 A 至 100 A,可轻松构成中等功率系统的单元模块。此外,Wolfspeed WolfPACK 模块解决方案的可扩展性非常高,因为得益于模块设计,通过交错和并联扩展系统要简单得多。
在电动汽车充电、太阳能转换/储存和电源供应等无数应用中,都需要中等功率直流/直流转换器。例如,可通过并联连接任意数量的功率桥臂来扩展最大输出电流/功率能力,同时减小电流纹波,来实现多相交错、双向直流到直流转换器(图 3)。三相交错的直流/直流转换器开关的栅极信号被移相 120°,以消除低频谐波。只需对控制器和热系统进行较小改动即可实现交错。输出功率可达 60 多千瓦,仍远低于 SiC 芯片的最大结温,使系统能够在其使用寿命内可靠地运行。交错是一种上佳的策略,可避免并联器件的某些挑战,同时还能提高系统性能,减小输出电感的尺寸。

这种交错方法可应用于各种转换器和逆变器架构,从而在不牺牲电气和热性能的情况下可靠地扩展功率。加上 SiC 技术优势和无底板 Wolfspeed WolfPACK 系列简化的热管理,使得宽输出功率范围的转换器系列的设计从未如此容易!
简单的可扩展性是 Wolfspeed WolfPACK™ 系列无底板功率模块的典型特征之一。如前所述,增加系统功率能力的一种方法是交错或并联模块。但要扩大基于 FM3 的系统额定功率的一种最简单的方法是将 GM3 插入到您的解决方案中。但可扩展性不仅仅是功率,还与选择相关 - 这些选择可增强您当前解决方案的性能,具体取决于您试图通过可扩展系统实现什么。
为了帮助理解插入 GM3 可在系统中带来什么益处,让我们考虑具有如下参数的典型 2 电平平并网逆变器或 AFE 系统,如下所示:800 VDC 总线电压,480 VAC 线路间有效值栅极电压(RMS),环境温度 Tamb = 50 °C,线路电感 L = 100 µH。每个桥臂代表半桥 FM3 或 GM3 Wolfspeed WolfPACK™ 功率模块。

在本研究中,我们将 CAB011M12FM3(11 mΩ)视为我们基于 FM3 的参考基准。使用上述定义的系统参数并在相对较高的开关频率(50 kHz )下工作,由于半导体损耗,在达到 150°C 最高结温之前,可实现 75 kW 的额定功率。
将 CAB008M12GM3(8 mΩ)插入到完全相同的 75 kW / 50 kHz 系统中,仍显示出很高的系统效率(高达 98.9%),但将器件结温降低到了仅 114°C。在这种较低的温度下运行器件,可延长器件寿命或提高可靠性,也可提供更高的开销和过载能力。另外,尤为明显的是,有提高结温的空间,从而提高系统的额定功率,在这种情况下,可提高到 100 kW(50 kHz / Tj = 150°C)。
现在插入 CAB006M12GM3(6 mΩ),还可对上述讨论的系统进一步增强性能。同样,在给定额定功率下,可降低器件的工作结温,或可通过增加系统的额定功率,甚至提高开关频率来进一步利用额外的结温裕量。以下给出了这项比较研究的摘要,以演示 GM3 平台提供的可扩展性选择。

显然,如所示,插入更大的 GM3 平台可增加基于 FM3 的解决方案的额定功率,但为可扩展解决方案带来的益处不止这些。根据您的设计目标,降低操作结温以增加系统鲁棒性,或增加开关频率以减少磁性元件尺寸/成本并提高控制范围,它们都是为您的可扩展系统增强性能的理想方法。总而言之,GM3 平台为设计人员提供了轻松扩展电力电子系统的选择。

除了增加模块尺寸或有源芯片面积外,另一种提高可扩展性的方法是选择功率模块的材料堆叠。在没有基板的情况下,这种选择实际上只有两种自由度,且会对模块(热传介质材料 (TIM) 和基板陶瓷材料)的总体热阻产生显著影响。从图中可以看出,TIM 层可占总体节点-散热片热阻 (RthJH)的 60%。虽然最终用户可从众多 TIM 中进行选择,但即使选用性能极高的散热膏材料,也难以显著影响 TIM 层的作用。而在另一个自由度方面,陶瓷基板可以显著降低整体热阻值,这是我们接下来将探讨的问题。

WolfSpeed WolfPACK 系列的典型必备陶瓷基板是氧化铝(Al2O3),因其具有极佳的性价比,非常适合此类无底板模块系列。但客户了解,氮化铝(AlN)可较大的提高性能,且成本的提升相对较低。AIN 的热导率比 Al2O3 高 7 倍,因而也就不难理解这些影响了:降低热阻,降低给定损耗的 Tj,提高给定损耗下的 PC 使用寿命,提高 SiC 性能的利用率。
考虑一下在 800 VDC 总线电压、480 VAC 线对线 RMS 电网电压、环境温度 Tamb = 50 ℃ 和线路电感 L= 100 µH 下运行的 2 电平并网逆变器,也再次证明了这一点。与之前的可扩展性研究一样,采用 AlN 基板的6mΩ GM3,即可在三个变量间进行扩展:功率、开关频率和结温。这为需要更大可用电流能力的客户提供了解决方案,或者在某些用例下,可降低工作结温以延长使用寿命,或者支持更高的散热片温度(降低成本)。

Wolfspeed WolfPACK 提供了一种建立在 SiC 技术长期投入基础上的新设计
Wolfspeed WolfPACK 功率产品组合是数十年来对 SiC 研发投入的顶峰之作,加上无基板设计,为原始设备制造商和设计工程师提供了更多选择,从而用以支持广泛的行业应用。
通过在提供压合式、无焊料引脚与外部 PCB 连接的容器内装配几个 SiC MOSFET,就为设计人员提供了更大的灵活性和可扩展性。Wolfspeed WolfPACK 系列功率模块根据 MOSFET 内部排列结构为特定应用提供优化的引脚分配(如半桥式、全桥式、六管集成以及降压式/升压式电路等)。Wolfspeed WolfPACK 外壳底部采用陶瓷基板替代底板,该陶瓷基板用于模块底部和金属垫片的电气隔离,金属安装扣片利用弹簧力与散热片连接。这种方法将压力均匀地分布到模块底部,确保了与散热片充分的热接触,同时还为散热片、模块以及 PCB 之间提供了稳固的机械连接。
无底板封装中实现较高的功率密度,加之 SiC 技术,实现了紧凑布局、更快速、更简洁的开关切换,可为设计人员减少达 25% 的体积。除了功率密度优势,Wolfspeed WolfPACK 模块还简化了系统布局和组装流程。这让从事中等功率应用工作的工程师能在很大程度上提高功率密度,同时最大限度降低设计复杂性。
Wolfspeed WolfPACK 固有的简单性可支持高度的可扩展性,有助于加快生产流程,降低系统组装成本,同时还提供了大量选择。这些新型 Wolfspeed WolfPACK 模块搭载全SiC MOSFET 半桥和全 SiC MOSFET 六管集成,并具有多种不同导通电阻的选择。
全新系列的 Wolfspeed WolfPACK 模块为设计人员提供适用于各种应用的功率产品组合,无论是进行单千瓦设计还是兆瓦系统之间的任何设计。
这些模块建立在 Wolfspeed 行业领先的 SiC 技术基础之上,以小封装实现超低损耗,非常适合规模化自动化和制造,从而为能源转换系统提供清洁、可靠的电力。
请访问 www.wolfspeed.com,获取更多信息和规格书、参考资料和应用手册。
Wolfspeed WolfPACK™ Silicon Carbide Power Modules Family
产品SKU | 在线购买 | 索取样品 | 数据手册 | 封装 | 配置 | 阻断电压 | 额定电流 | 导通电阻 RDS(ON) @ 25°C | 代际 | 最高结点温度 | 模块尺寸 |
|---|---|---|---|---|---|---|---|---|---|---|---|
GM | Half-Bridge | 1200 V | 200 A | 4.1 mΩ | Gen 4 | 175 °C | 62.8 x 56.7 mm | ||||
GM | Half-Bridge | 1200 V | 200 A | 4.1 mΩ | Gen 4 | 175 °C | 62.8 x 56.7 mm | ||||
GM | Half Bridge (AlN substrate) | 1200 V | 200 A | 4.1 mΩ | Gen 4 | 175 °C | 62.8 x 56.7 mm | ||||
GM | Half Bridge (AlN substrate) | 1200 V | 200 A | 4.1 mΩ | Gen 4 | 175 °C | 62.8 x 56.7 mm | ||||
GM | Half Bridge (AlN substrate) | 2300 V | 200 A | 5 mΩ | Gen 4 | 150 °C | 62.8 x 56.7 mm | ||||
GM | Half Bridge (AlN substrate) | 2300 V | 200 A | 5 mΩ | Gen 4 | 150 °C | 62.8 x 56.7 mm | ||||
GM | Half-Bridge | 1200 V | 200 A | 5.3 mΩ | Gen 3 | 175 °C | 62.8 x 56.7 mm | ||||
GM | Half Bridge (AlN substrate) | 1200 V | 200 A | 5.3 mΩ | Gen 3 | 175 °C | 62.8 x 56.7 mm | ||||
GM | Half-Bridge | 1200 V | 200 A | 5.3 mΩ | Gen 3 | 175 °C | 62.8 x 56.7 mm | ||||
GM | Half Bridge (AlN substrate) | 1200 V | 200 A | 5.3 mΩ | Gen 3 | 175 °C | 62.8 x 56.7 mm | ||||
GM | Half Bridge (AlN substrate) | 1200 V | 200 A | 5.3 mΩ | Gen 4 | 175 °C | 62.8 x 56.7 mm | ||||
GM | Half Bridge (AlN substrate) | 1200 V | 200 A | 5.3 mΩ | Gen 4 | 175 °C | 62.8 x 56.7 mm | ||||
GM | Half Bridge (AlN substrate) | 2300 V | 200 A | 6 mΩ | Gen 4 | 150 °C | 62.8 x 56.7 mm | ||||
GM | Half Bridge (AlN substrate) | 2300 V | 200 A | 6 mΩ | Gen 4 | 150 °C | 62.8 x 56.7 mm | ||||
GM | Half Bridge (AlN substrate) | 2300 V | 170 A | 7.5 mΩ | Gen 4 | 150 °C | 62.8 x 56.7 mm | ||||
GM | Half Bridge (AlN substrate) | 2300 V | 170 A | 7.5 mΩ | Gen 4 | 150 °C | 62.8 x 56.7 mm | ||||
GM | Half Bridge (AlN substrate) | 1200 V | 181 A | 8 mΩ | Gen 3 | 175 °C | 62.8 x 56.7 mm | ||||
GM | Half-Bridge | 1200 V | 160 A | 8 mΩ | Gen 3 | 175 °C | 62.8 x 56.7 mm | ||||
GM | Half-Bridge | 1200 V | 160 A | 8 mΩ | Gen 3 | 175 °C | 62.8 x 56.7 mm | ||||
GM | Half Bridge (AlN substrate) | 1200 V | 181 A | 8 mΩ | Gen 3 | 175 °C | 62.8 x 56.7 mm | ||||
FM | Half-Bridge | 1200 V | 117 A | 11 mΩ | Gen 3 | 175 °C | 62.8 mm x 33.8 mm | ||||
FM | Half-Bridge | 1200 V | 117 A | 11 mΩ | Gen 3 | 175 °C | 62.8 mm x 33.8 mm | ||||
GM | Half-Bridge | 1200 V | 141 A | 11 mΩ | Gen 3 | 175 °C | 62.8 x 56.7 mm | ||||
GM | Half-Bridge | 1200 V | 141 A | 11 mΩ | Gen 3 | 175 °C | 62.8 x 56.7 mm | ||||
GM | Full-Bridge | 1200 V | 100 A | 11 mΩ | Gen 4 | 175 °C | 62.8 x 56.7 mm | ||||
GM | Full-Bridge | 1200 V | 100 A | 11 mΩ | Gen 4 | 175 °C | 62.8 x 56.7 mm | ||||
GM | T-Type | 1200 V | 100 A | 11 mΩ | Gen 4 | 175 °C | 62.8 x 56.7 mm | ||||
GM | T-Type | 1200 V | 100 A | 11 mΩ | Gen 4 | 175 °C | 62.8 x 56.7 mm | ||||
FM | Half-Bridge | 1200 V | 84 A | 16 mΩ | Gen 3 | 175 °C | 62.8 mm x 33.8 mm | ||||
FM | Half-Bridge | 1200 V | 84 A | 16 mΩ | Gen 3 | 175 °C | 62.8 mm x 33.8 mm | ||||
GM | Six-pack (three-phase) | 1200 V | 50 A | 16 mΩ | Gen 3 | 175 °C | 62.8 x 56.7 mm | ||||
GM | Six-pack (three-phase) | 1200 V | 50 A | 16 mΩ | Gen 3 | 175 °C | 62.8 x 56.7 mm | ||||
FM | Full-Bridge | 1200 V | 50 A | 17 mΩ | Gen 4 | 175 °C | 62.8 mm x 33.8 mm | ||||
FM | Full-Bridge | 1200 V | 50 A | 17 mΩ | Gen 4 | 175 °C | 62.8 mm x 33.8 mm | ||||
FM | Six-pack (three-phase) | 1200 V | 30 A | 21 mΩ | Gen 3 | 175 °C | 62.8 mm x 33.8 mm | ||||
FM | Full-Bridge | 1200 V | 48 A | 21 mΩ | Gen 3 | 175 °C | 62.8 mm x 33.8 mm | ||||
FM | Six-pack (three-phase) | 1200 V | 30 A | 21 mΩ | Gen 3 | 175 °C | 62.8 mm x 33.8 mm | ||||
FM | Full-Bridge | 1200 V | 48 A | 21 mΩ | Gen 3 | 175 °C | 62.8 mm x 33.8 mm | ||||
FM | Six-pack (three-phase) | 1200 V | 30 A | 32 mΩ | Gen 3 | 175 °C | 62.8 mm x 33.8 mm | ||||
FM | Full-Bridge | 1200 V | 37 A | 32 mΩ | Gen 3 | 175 °C | 62.8 mm x 33.8 mm | ||||
FM | Six-pack (three-phase) | 1200 V | 30 A | 32 mΩ | Gen 3 | 175 °C | 62.8 mm x 33.8 mm | ||||
FM | Full-Bridge | 1200 V | 37 A | 32 mΩ | Gen 3 | 175 °C | 62.8 mm x 33.8 mm |
Featured Design Tools
We lead the pack by making sure Silicon Carbide system education and design resources are right at your fingertips through our reference designs, evaluation kits, gate drivers, and technical resources. Learn more about Wolfspeed WolfPACK™ companion parts to better understand how this new module platform can help you increase product performance, accelerate time to market, and lower costs.
名称 | 在线购买 | 封装 | 设计者 | 产品SKU | 浏览产品 | 类型 |
|---|---|---|---|---|---|---|
FM | Wolfspeed | KIT-CRD-CIL12N-FMA | ![]() | Evaluation Tool | ||
FM | Wolfspeed | KIT-CRD-CIL12N-FMC | ![]() | Evaluation Tool | ||
FM, GM, SpeedVal Kit | Skyworks | Si823H-ACWA-KIT | ![]() | Gate Driver Board | ||
FM, GM, SpeedVal Kit | Analog Devices | EVAL-ADUM4146WHB1Z | ![]() | Gate Driver Board | ||
FM, GM, SpeedVal Kit | Wolfspeed | CGD1700HB2M-UNA | Gate Driver Board | |||
GM | Wolfspeed | KIT-CRD-CIL12N-GMA | ![]() | Evaluation Tool |
- https://www.wolfspeed.com/knowledge-center/article/demystifying-pcb-layout-methodologies-for-sic-gate-drivers
- https://www.wolfspeed.com/downloads/dl/file/id/1971/product/745/cpwr_an45_wolfspeed_wolfpack_trade_application_note.pdf
- https://www.wolfspeed.com/knowledge-center/article/enabling-system-upgrades-with-sic-technology-using-industry-standard-base-plate-less-packaging
- A. Zeanh et al., “Thermomechanical Modelling and Reliability Study of an IGBT Module for an Aeronautical Application,” EuroSimE 2008 - International Conference on Thermal, Mechanical and Multi-Physics Simulation and Experiments in Microelectronics and Micro-Systems, Freiburg im Breisgau, 2008, pp. 1–7.
- Mauro Ciappa, “Selected failure mechanisms of modern power modules,” Microelectronics Reliability, Volume 42, Issues 4–5, 2002, pp. 653–667, ISSN 0026-2714, https://doi.org/10.1016/S0026-2714(02)00042-2.




